Wedgepng04

  • Home

Kamis, 23 Desember 2021

Home » » Ge Washer Wiring Diagram / Model Search Gtwn2800d1ww /

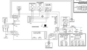
Ge Washer Wiring Diagram / Model Search Gtwn2800d1ww /

  Admin     Kamis, 23 Desember 2021

The digital control panel provides a number of wash cycles for different types of fabric. The ge gtw720bsnws works quietly and efficiently to clean your clothes and remove tough stains. For over 100 years, ge has offered. These simple visual representations all. General electric ge said it earned $3.59 billion, or 36 cents a share, in the fourth quarter, exactly what analysts were expecting.

Imagine that you've just gotten some beautiful new ge appliances. Ge Wall Oven Model Jkp07g006bg Wiring Diagram Fixitnow Com Samurai Appliance Repair Man
Ge Wall Oven Model Jkp07g006bg Wiring Diagram Fixitnow Com Samurai Appliance Repair Man from appliantology.smugmug.com
Ge is working as hard as it can to kill off its lightbulb business — before someone else does. Washing machines, including ge models, agitate back and forth, after filling with water and detergent, to clean the clothes inside the tub. By sophie bird 02 august 2021 the ge gtw720bsnws is a great choice and excels in energy efficiency and useful wash cycles and settings. Imagine that you've just gotten some beautiful new ge appliances. Whether you need to make a warranty claim or find replacement parts, there are plenty of reasons why you may need to find the model number for your ge motor. With regular use, detergent and fabric s. These simple visual representations all. The digital control panel provides a number of wash cycles for different types of fabric.

These simple visual representations all.

Washing machines, including ge models, agitate back and forth, after filling with water and detergent, to clean the clothes inside the tub. Here are several helpful tips you can use to find your motor's model number. These simple visual representations all. General electric (ge) appliances offers consumer home appliances. Ge is working as hard as it can to kill off its lightbulb business — before someone else does. This agitation mixes the water and soap, moving it through the clothes to remove dirt and soil; Whether you need to make a warranty claim or find replacement parts, there are plenty of reasons why you may need to find the model number for your ge motor. By millie fender 14 may 2020 although it's a little smaller than some washer dryer combos, the ge gfq14essnww packs in a lot of. Dishwashers make it easy to take care of the mundane tasks of washing dishes. The ge gfq14essnww is a great value washer dryer combo with some brilliant smart features and a compact design. Imagine that you've just gotten some beautiful new ge appliances. General electric ge said it earned $3.59 billion, or 36 cents a share, in the fourth quarter, exactly what analysts were expecting. If you own a ge appliance, it's important to have an owner's manual to ensure proper maintenance and to answer any questions you may have.

If you have a ge dishwasher, you may run into some common issues that prevent it from working. If you own a ge appliance, it's important to have an owner's manual to ensure proper maintenance and to answer any questions you may have. These simple visual representations all. Whether you need to make a warranty claim or find replacement parts, there are plenty of reasons why you may need to find the model number for your ge motor. The ge gfq14essnww is a great value washer dryer combo with some brilliant smart features and a compact design.

Imagine that you've just gotten some beautiful new ge appliances. Kenmore 110258424 Automatic Washer Timer Stove Clocks And Appliance Timers
Kenmore 110258424 Automatic Washer Timer Stove Clocks And Appliance Timers from www.appliancetimers.com
With regular use, detergent and fabric s. Imagine that you've just gotten some beautiful new ge appliances. If you have a ge dishwasher, you may run into some common issues that prevent it from working. By millie fender 14 may 2020 although it's a little smaller than some washer dryer combos, the ge gfq14essnww packs in a lot of. Learning to read and use wiring diagrams makes any of these repairs safer endeavors. The digital control panel provides a number of wash cycles for different types of fabric. General electric (ge) appliances offers consumer home appliances. If you can't remember where you placed them after a couple of years, here are some places you can go online for help.

General electric ge said it earned $3.59 billion, or 36 cents a share, in the fourth quarter, exactly what analysts were expecting.

Dishwashers make it easy to take care of the mundane tasks of washing dishes. If you have a ge dishwasher, you may run into some common issues that prevent it from working. For over 100 years, ge has offered. The ge gtw720bsnws works quietly and efficiently to clean your clothes and remove tough stains. Ge is working as hard as it can to kill off its lightbulb business — before someone else does. By millie fender 14 may 2020 although it's a little smaller than some washer dryer combos, the ge gfq14essnww packs in a lot of. Washing machines, including ge models, agitate back and forth, after filling with water and detergent, to clean the clothes inside the tub. The ge gfq14essnww is a great value washer dryer combo with some brilliant smart features and a compact design. If you own a ge appliance, it's important to have an owner's manual to ensure proper maintenance and to answer any questions you may have. Here are several helpful tips you can use to find your motor's model number. With regular use, detergent and fabric s. You put the user manuals in a safe place, right? Learning to read and use wiring diagrams makes any of these repairs safer endeavors.

If you have a ge dishwasher, you may run into some common issues that prevent it from working. Whether you need to make a warranty claim or find replacement parts, there are plenty of reasons why you may need to find the model number for your ge motor. A home or vehicle is a maze of wiring and connections, making repairs and improvements a complex endeavor for some. Dishwashers make it easy to take care of the mundane tasks of washing dishes. General electric (ge) appliances offers consumer home appliances.

If you can't remember where you placed them after a couple of years, here are some places you can go online for help. Motor In A General Electric Washer Youtube
Motor In A General Electric Washer Youtube from i.ytimg.com
The digital control panel provides a number of wash cycles for different types of fabric. Ge is working as hard as it can to kill off its lightbulb business — before someone else does. For over 100 years, ge has offered. These simple visual representations all. If you can't remember where you placed them after a couple of years, here are some places you can go online for help. You put the user manuals in a safe place, right? If you have a ge dishwasher, you may run into some common issues that prevent it from working. General electric (ge) appliances offers consumer home appliances.

General electric (ge) appliances offers consumer home appliances.

Here are several helpful tips you can use to find your motor's model number. If you own a ge appliance, it's important to have an owner's manual to ensure proper maintenance and to answer any questions you may have. If you find yourself in that predicament, listed below are some pos. Dishwashers make it easy to take care of the mundane tasks of washing dishes. The digital control panel provides a number of wash cycles for different types of fabric. Ge is working as hard as it can to kill off its lightbulb business — before someone else does. If you can't remember where you placed them after a couple of years, here are some places you can go online for help. General electric ge said it earned $3.59 billion, or 36 cents a share, in the fourth quarter, exactly what analysts were expecting. The ge gtw720bsnws works quietly and efficiently to clean your clothes and remove tough stains. If you have a ge dishwasher, you may run into some common issues that prevent it from working. Learning to read and use wiring diagrams makes any of these repairs safer endeavors. These simple visual representations all. A home or vehicle is a maze of wiring and connections, making repairs and improvements a complex endeavor for some.

Ge Washer Wiring Diagram / Model Search Gtwn2800d1ww /. With regular use, detergent and fabric s. The digital control panel provides a number of wash cycles for different types of fabric. This agitation mixes the water and soap, moving it through the clothes to remove dirt and soil; General electric (ge) appliances offers consumer home appliances. You put the user manuals in a safe place, right?

This agitation mixes the water and soap, moving it through the clothes to remove dirt and soil; Kenmore 1109219551 Automatic Washer Timer Stove Clocks And Appliance Timers Source: www.appliancetimers.ca

If you can't remember where you placed them after a couple of years, here are some places you can go online for help. If you find yourself in that predicament, listed below are some pos. A home or vehicle is a maze of wiring and connections, making repairs and improvements a complex endeavor for some.

The ge gfq14essnww is a great value washer dryer combo with some brilliant smart features and a compact design. Understanding Wire Diagrams Source: applianceassistant.com

By millie fender 14 may 2020 although it's a little smaller than some washer dryer combos, the ge gfq14essnww packs in a lot of. General electric ge said it earned $3.59 billion, or 36 cents a share, in the fourth quarter, exactly what analysts were expecting. By sophie bird 02 august 2021 the ge gtw720bsnws is a great choice and excels in energy efficiency and useful wash cycles and settings.

If you find yourself in that predicament, listed below are some pos. Trying To Wire A Washing Machine Motor To Power A Grain Mill Page 2 Physics Forums Source: www.physicsforums.com

The ge gfq14essnww is a great value washer dryer combo with some brilliant smart features and a compact design. The ge gtw720bsnws works quietly and efficiently to clean your clothes and remove tough stains. If you find yourself in that predicament, listed below are some pos.

If you have a ge dishwasher, you may run into some common issues that prevent it from working. Ge Really Old Style Washing Machine Help Appliance Aid Source: www.applianceaid.com

Dishwashers make it easy to take care of the mundane tasks of washing dishes. The digital control panel provides a number of wash cycles for different types of fabric. Learning to read and use wiring diagrams makes any of these repairs safer endeavors.

The ge gfq14essnww is a great value washer dryer combo with some brilliant smart features and a compact design. Tmd1em03 I Misplaced The Wire Chart I Marked To Replace My Ge Electric Dryer Motor We17m22 There Are 6 Main Wires And 3 Smaller Source: f01.justanswer.com

Dishwashers make it easy to take care of the mundane tasks of washing dishes. If you find yourself in that predicament, listed below are some pos. Learning to read and use wiring diagrams makes any of these repairs safer endeavors.

If you find yourself in that predicament, listed below are some pos. Ge Gtw460asj9ww Washer Partswarehouse Source: cdn.datamanager.arinet.com

Washing machines, including ge models, agitate back and forth, after filling with water and detergent, to clean the clothes inside the tub.

Dishwashers make it easy to take care of the mundane tasks of washing dishes. Solved Ge Top Load Washer Gtw485asj4ws Washing Machine Ifixit Source: guide-images.cdn.ifixit.com

If you can't remember where you placed them after a couple of years, here are some places you can go online for help.

If you have a ge dishwasher, you may run into some common issues that prevent it from working. Ge Washer Motor 5kh41jt18as Partsreadyonline Com Source: partsreadyonline.com

General electric ge said it earned $3.59 billion, or 36 cents a share, in the fourth quarter, exactly what analysts were expecting.

Ge is working as hard as it can to kill off its lightbulb business — before someone else does. Hydrowave Ge Washer Repair Guide Source: www.appliance-repair-it.com

Whether you need to make a warranty claim or find replacement parts, there are plenty of reasons why you may need to find the model number for your ge motor.

Dishwashers make it easy to take care of the mundane tasks of washing dishes. Model Search Wwse3160a0ww Source: assets.geappliances.io

Whether you need to make a warranty claim or find replacement parts, there are plenty of reasons why you may need to find the model number for your ge motor.

By Admin at Desember 23, 2021

Tidak ada komentar:

Posting Komentar

Popular Posts

  • Mgha 075Abfc 01 Manual / Nordyne Gas Furnace Parts Shop Mobile Home Repair /
  • Halmar Robicon Scr Manual / Robicon Halmar Scr Power Controller 2z 4860 :
  • Rca Ant751E Tv Antenna User Guide / Installing The Rca Ant751 Or Ant751z Outdoor Antenna Voxx International :
  • Skype For Android Phone Manual / How To Use Skype For Voice And Video Chat On Your Android Ios Device /
  • Printable Mazes For Adults - Free Printable Mazes :

Recent Posts

Arsip Blog

  • ►  2022 (9)
    • ►  Februari (6)
    • ►  Januari (3)
  • ▼  2021 (75)
    • ▼  Desember (50)
      • Preschool Math Materials - Aclk Sa L Ai Dchcsewjng...
      • Math Under The Sea / 3 Creative Engaging Ocean Mat...
      • Halmar Robicon Scr Manual / Robicon Halmar Scr Pow...
      • Furrion Soundbar Manual / Furrion Outdoor Soundbar...
      • Ge Washer Wiring Diagram / Model Search Gtwn2800d1...
      • Indoor Vine Plant : 26 Best Indoor Vines Climbers ...
      • Composite Landscape Timber : How To Install Landsc...
      • Eucalyptus Plant Indoor Benefits / 20 Incredible S...
      • Goldfish Garden Pond / 5x Jet Black Comet Goldfish...
      • Spanish Invitations For Weddings - Spanish Rustic ...
      • Pen And Paper Icon : Notepad Pen Svg Png Icon Free...
      • Old Door Png / Door Old Old Door House Entrance Wo...
      • Outdoor Desktop Wallpaper - 5376882 5472x3648 Mist...
      • Pattern Desktop Wallpaper : 44 Cute Pattern Wallpa...
      • Teaching Informational Writing 5Th Grade / All The...
      • Rachel Ausmalbilder / Das Ausmalbuch Der Zvab /
      • Being A Grandma Quotes - Grandmother Quotes Pictur...
      • Benjamin Animal Farm Quotes - Animal Farm Wikiwand /
      • 70Th Birthday Quotes Inspirational - 70th Birthday...
      • Beautiful Wallpapers With Quotes : 12 Free Motivat...
      • Cherry Valance Quotes : Chapter 9 We Re All We Got...
      • Rilakkuma And Friends Coloring Page : Rilakkuma Be...
      • Kawaii Charmander Coloring Page - Luxury Ideas Kaw...
      • Main Causes Of Ww1 Worksheet - Causes Of Ww1 Works...
      • Leaf Anatomy Worksheet Key : Leaf Anatomy :
      • Wolf Face Logo - Wolf Logo Photos And Premium High...
      • Uno Card Logo - 6 April 2019 Wuhan China Uno Spiel...
      • Yellow Flower Border Png - Yellow Rose Flower Free...
      • February Worksheets For Kindergarten / February Ma...
      • 7Th Grade Math Workbook Printable - 7th Grade Math...
      • Decision Tree Worksheet / Decision Tree Algorithm ...
      • Memory Worksheets For Adults - Clothes Memory Game...
      • Printable Mazes For Adults - Free Printable Mazes :
      • Android Lgk8 Manual / Lg K8 2017 M200n Lg Us215 Fu...
      • Manual Vpn Deäÿiåÿimi Android / Vpnandroid Amahi W...
      • Skype For Android Phone Manual / How To Use Skype ...
      • Manual 7.3 Powerstroke For Sale - 1997 Ford F 250 ...
      • Zone Golf Cart Manual : Golf Carts In The City Dun...
      • Mgha 075Abfc 01 Manual / Nordyne Gas Furnace Parts...
      • Casio Px S1000 Manual : Casio Privia /
      • Autonomous Ergochair 2 Manual : Autonomous Ergocha...
      • 3Rd Grade Vocabulary Words Worksheet / 3rd Grade V...
      • Addition And Subtraction Worksheets Kindergarten F...
      • Counting Syllables Worksheet / 1 /
      • Thomas Jefferson Worksheet 3Rd Grade - Thomas Jeff...
      • Excel Quick Reference Guide Template : Create Stud...
      • Precor Trm 631 Getting Started Guide / Precor Trm ...
      • Tanium Client Deployment Guide Prerequisites : Ver...
      • Whirlpool Wed95Hexr1 Troubleshooting Guide / Whirl...
      • Rca Ant751E Tv Antenna User Guide / Installing The...
    • ►  November (25)

Follow by Email

Subsribe to get post update from this blog in your email inbox.

Copyright © Wedgepng04. All rights reserved. Template by Bootstrap